商品情報詳細
詳細情報
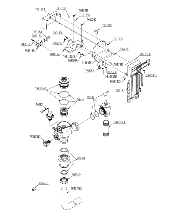
画像はイメージです。表示されている品番の仕様とは異なる場合があります。
- 品番
- :TEVN36U
- 商品名
- :大便器自動フラッシュバルブ(ライニング用、AC100V)
- シリーズ名
- : -
- 希望小売価格
- :\144,000(税込\158,400)
| 品番 | TEVN36U |
|---|---|
| 商品名 | 大便器自動フラッシュバルブ |
| 生産開始 | 2018/02 |
| 生産終了 | |
| 図面(サイズ) | PDF(141KB) |
- ◆互換性注意情報
- 注意情報はありません。
- ◆補修品一覧
-
・分解図、補修品リスト、互換性注意情報は最新のものをお使いください。
・発注品番の希望小売価格は予告なく変更する場合がありますので、最新の補修品リストをご確認ください。
・発注品番欄に 非補修品 と表示のものは、原則として定期的な補修は不要です。要望される場合は製品交換をご検討願います。
・分解図中に専用工具の記載がある場合でも、補修品リストに専用工具の記載のない場合は別売品です。
・補修品は、外観形状・色調が異なる場合がございます。
・図番は分解図中に記載の番号です。 補修品を発注する際は「発注品番」に記載の品番でご発注ください。
・分解図中に図番があり補修品リストに図番・発注品番の記載のない補修品は、最寄りの取付店・販売店へご依頼してください。
- 【補修品リスト】
- 注1 リンクをクリックすると指定品番の分解図情報を表示します。
- 注2 発注品番の数量1個当たりの価格です。
| 図番 | 発注品番 注1 | 商品名 | 希望小売価格 (税込価格) 注2 |
数量 | 材料 | 下位の補修品 注1 |
備考 |
|---|---|---|---|---|---|---|---|
| TH5B0223 | TH5B0223 | 自閉バルブ部 | \6,450(税込\7,095) | 1 | あり | ||
| TH97A28 | TH97A28 | クランプ | \270(税込\297) | 1 | あり | ||
| TH97P69 | TH97P69 | クランプ | \170(税込\187) | 1 | あり | ||
| TH22004 | TH22004 | 袋ナット40 | \630(税込\693) | 1 | あり | ||
| TH402563A | TH402563A | 給水管 | \2,550(税込\2,805) | 1 | あり | ||
| TH407492 | TH407492 | 排水管 | \7,100(税込\7,810) | 1 | あり | ||
| TH55163R | TH55163R | コントローラー部 | \62,400(税込\68,640) | 1 | あり | ||
| TH57152 | TH57152 | 端子台 | \1,300(税込\1,430) | 1 | あり | ||
| TH57153 | TH57153 | 圧着端子 | \550(税込\605) | 2 | あり | ||
| TH57165 | TH57165 | クランプ | \210(税込\231) | 1 | あり | ||
| TH5J0402 | TH5J0402 | ふたユニット | \22,400(税込\24,640) | 1 | あり | ||
| TH611221B | TH611221B | なべ小ねじM4×8 | \170(税込\187) | 2 | あり | ||
| TH611353 | TH611353 | なべ小ねじM3×6 | \170(税込\187) | 2 | あり | ||
| TH61150 | TH61150 | なべ小ねじM4×20 | \170(税込\187) | 1 | あり | ||
| TH61390 | TH61390 | トラス小ねじM4×6 | \170(税込\187) | 10 | あり | ||
| TH71479 | TH71479 | カバー部 | \5,950(税込\6,545) | 1 | あり | ||
| TH84198 | TH84198 | ベースプレート | \2,050(税込\2,255) | 1 | あり | ||
| TH95057 | TH95057 | クランプ | \170(税込\187) | 1 | あり | ||
| THD68A | THD68A | バキュームブレーカー | \8,200(税込\9,020) | 1 | あり | ||
| THD98 | THD98 | 止水栓 | \14,100(税込\15,510) | 1 | あり | ||
| THE33 | THE33 | 電磁弁部 | \13,600(税込\14,960) | 1 | あり | ||
| THJ42 | THJ42 | ピストンバルブ部 | \14,900(税込\16,390) | 1 | あり |





