商品情報詳細
詳細情報
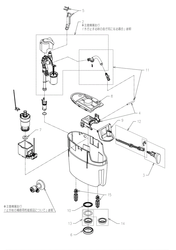
画像はイメージです。表示されている品番の仕様とは異なる場合があります。
- 品番
- :HH11224RN
- 商品名
- :内部樹脂タンク一式
- シリーズ名
- : -
- 希望小売価格
- :\58,900(税込\64,790)
| 品番 | HH11224RN |
|---|---|
| 商品名 | 内部樹脂タンク一式 |
| 生産開始 | 2023/08 |
| 生産終了 | |
| 図面(サイズ) | PDF(906KB) |
- ◆互換性注意情報
-
・止水栓の補修用性能部品について
・水が止まる時の音が気になる場合
- ◆補修品一覧
-
・タンク、便器などの補修品は発注品番に色番を付加してご発注ください。
・希望小売価格は代表色(パステルアイボリーほか)の価格を表示しています。
色番によっては価格が変わる場合もございますので、ご注意ください。
・分解図、補修品リストは最新のものをお使いください。
・品番が掲載されていない部品につきましては、補修品が設定されておりませんので、
補修品が設定されているセット単位での交換となります。
品質保証上補修対応できないもの(工場管理の組付け部品など)は、補修品設定
されておりませんので、あらかじめご了承ください。
・分解図の中に専用工具が掲載されている分解図があります。
補修品リストに専用工具が掲載されていない場合は別売品です。
<<品番に対する備考>>
・樹脂タンク取付ナットが2個同梱されており便器(タンク)によって使い分けが必要です
- 【補修品リスト】
- 注1 リンクをクリックすると指定品番の分解図情報を表示します。
- 注2 発注品番の数量1個当たりの価格です。
| 図番 | 発注品番 注1 | 商品名 | 希望小売価格 (税込価格) 注2 |
数量 | 材料 | 下位の補修品 注1 |
備考 |
|---|---|---|---|---|---|---|---|
| 02 | HH06074S | 立形ロータンク用ボールタップ13 | \11,000(税込\12,100) | 1 | あり | ||
| 03 | HH07134S | レバーハンドル | \3,400(税込\3,740) | 1 | あり | ||
| 04 | HH07136R | 排水レバーユニット | \1,500(税込\1,650) | 1 | あり | ||
| 05 | HH07137 | 流動レバー | \1,550(税込\1,705) | 1 | あり | ||
| 06 | HH08012S | 密結パッキン | \700(税込\770) | 1 | |||
| 07 | HH08037R | パッキン | \1,700(税込\1,870) | 1 | |||
| 08 | HH09042 | カバー | \2,050(税込\2,255) | 1 | |||
| 09 | HH09048 | ふさぎカバー | \440(税込\484) | 1 | |||
| 10 | HH11198 | パッキン | \320(税込\352) | 1 | |||
| 11 | HH11228R | 吐水口ユニット | \2,550(税込\2,805) | 1 | あり | ||
| 12 | HH11229 | ジョイントユニット | \630(税込\693) | 1 | あり | ||
| 13 | HH12002 | 樹脂タンク取付ナット | \1,100(税込\1,210) | 1 | CS50、CS60、CS100、CS110、CS205、CS260、CS325系便器用 | ||
| 14 | HH12006 | 樹脂タンク取付ナット | \1,100(税込\1,210) | 1 | CS215、CS230、CS330、CS597系便器用 | ||
| 15 | HH12019 | 取付金具ユニット | \1,300(税込\1,430) | 1 | あり |





